



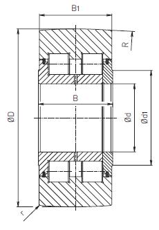
Opěrné kladky SLB jsou určeny zejména pro zařízení na výrobu a další zpracování válcovaného materiálu, zejména plechu. Kladky mohou být dodávány s rovnou nebo zakřivenou vnější plochou, která zlepšuje distribuci zatížení působícího na kladku. Vnitřní kroužky ložisek jsou opatřeny rozváděcí drážkou a mazacími otvory. Ložiska jsou dodávána v plnoválečkovém provedení nebo s masivní klecí. Ložiska v plnoválečkovém provedení jsou určena pro zachycování značných radiálních sil při relativně nižších otáčkách. Ložiska v provedení dle obr. 1 jsou opatřena bezkontaktním ocelovým labyrintovým těsněním s vysokou těsnicí schopností. Ložiska jsou dodávána v normálním nebo zvýšeném stupni přesnosti – do P5.
| Označení | Rozměry | Základní únosnosti | Hmotnost | Obrázek / pdf | ||||||
|---|---|---|---|---|---|---|---|---|---|---|
| Radiální | Axiální | |||||||||
| d mm |
D mm |
B mm |
Cr kN |
Cor kN |
Ca kN |
Coa kN |
kg |
|||
| SLB 56-8-1 | 35 | 100 | 40 | 94.4 | 108 | 0 | 0 | 1.8 |
1
/
|
|
| SLB 55-12 | 35 | 80 | 41.6 | 85.8 | 110 | 0 | 0 | 1.15 |
2
/
|
|
| SLB 45-31 | 40 | 80 | 32 | 69.4 | 119 | 0 | 0 | 0.83 |
3
/
|
|
| SLB 58-28-1 | 50 | 123 | 40 | 131 | 171 | 0 | 0 | 3.4 |
4
/
|
|
| SLB 57-8 | 54 | 120 | 38 | 133 | 220 | 0 | 0 | 2.4 |
5
/
|
|
| SLB 58-29-1 | 65 | 148 | 46 | 192 | 304 | 0 | 0 | 5.9 |
6
/
|
|
| SLB 59-1 | 70 | 190 | 60 | 348 | 438 | 0 | 0 | 11.2 |
7
/
|
|
| SLB 58-30 | 70 | 158 | 54 | 251 | 391 | 0 | 0 | 7.4 |
8
/
|
|
| SLB 59-21 | 75 | 196 | 82 | 438 | 541 | 0 | 0 | 14.5 |
9
/
|
|
| SLB 510-24 | 90 | 220 | 130 | 810 | 1280 | 0 | 0 | 29.8 |
10
/
|
|
| Cr | dynamická únosnost radiální | Dynamic load - radial | Dynamische Tragzahl - radial |
|---|---|---|---|
| Cor | statická únosnost radiální | Static load - radial | Statische Tragzahl - radial |
| Ca | dynamická únosnost axiální | Dynamic load - axial | Dynamische Tragzahl - axial |
| Coa | statická únosnost axiální | Static load - axial | Statische Tragzahl - axial |