



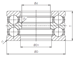
| Označení | Rozměry | Základní únosnosti | Hmotnost | Obrázek / pdf | ||||||
|---|---|---|---|---|---|---|---|---|---|---|
| Radiální | Axiální | |||||||||
| d mm |
D mm |
B mm |
Cr kN |
Cor kN |
Ca kN |
Coa kN |
kg |
|||
| 52334M | 150 | 280 | 153 | 0 | 0 | 455 | 1190 | 39.7 |
1
/
|
|
| 52338M | 160 | 320 | 183 | 0 | 0 | 573 | 1580 | 64.5 |
2
/
|
|
| 52240F | 170 | 280 | 109 | 0 | 0 | 355 | 1040 | 22.5 |
3
/
|
|
| SLB 211-04 | 210 | 370 | 198 | 0 | 0 | 511 | 1740 | 78.4 |
4
/
|
|
| SLB 211-05 | 255 | 358 | 70 | 0 | 0 | 155 | 694 | 20.2 |
5
/
|
|
| SLB 212-01 | 255 | 358 | 70 | 0 | 0 | 180 | 212 | 18.6 |
6
/
|
|
| SLB 212-24 | 395 | 515 | 90 | 0 | 0 | 233 | 1230 | 34.8 |
7
/
|
|
| SLB 212-02 | 470 | 600 | 90 | 0 | 0 | 203 | 1190 | 50.6 |
8
/
|
|
| Cr | dynamická únosnost radiální | Dynamic load - radial | Dynamische Tragzahl - radial |
|---|---|---|---|
| Cor | statická únosnost radiální | Static load - radial | Statische Tragzahl - radial |
| Ca | dynamická únosnost axiální | Dynamic load - axial | Dynamische Tragzahl - axial |
| Coa | statická únosnost axiální | Static load - axial | Statische Tragzahl - axial |