



Kombinierte Radial-Axial-RAK Rollen der Firma SLB sind vor allem für Gabelstapler und für andere Hebe- und Flurfördertechnik bestimmt.
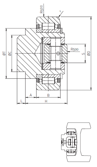
Kombinierte RAK Rollen sind imstande, gleichzeitig sowohl radiale, als auch axiale Kräfte aufzunehmen, die in der Lagerung sowohl durch Wirkung der Außenbelastung, als auch durch Ungenauigkeit der Anlagenmontage entstehen. Um axiale Spiele zu begrenzen, die bei Anlagenmontage oder beim Betrieb entstehen, dient die Schraube mit Innensechskant im Rollen-Körper angebracht, das gegen Lösen mit einer Kontermutter gesichert wird. Innenraum radialer Rolle wird mit kontaktloser Labyrinth-Metall-Dichtung abgedichtet, die ziemlich beständig gegen Beschädigung ist. Lager werden mit Schmierfett-Füllung geliefert. Zum Nachschmieren gibt es im Lagerkörper Schmierverteilung. Bei Lagern in Bild 1 kann nur radiale Rolle nachgeschmiert werden, bei Lagern in Bild 2 sowohl radiale als auch axiale Rolle. Außenringe der Axial- und Radialrolle und Bolzen der Axialrolle sind aus Einsatzstahl gefertigt, andere Tragteile aus direkthärtbarem Lagerstahl. Rollenkörper wird aus schweißbarem Konstruktionsstahl gefertigt.
| Kurzzeichen | Abmessungen | Tragzahlen | Gewicht | Bild / pdf | ||||||
|---|---|---|---|---|---|---|---|---|---|---|
| Radial | Axial | |||||||||
| d mm |
D mm |
B mm |
Cr kN |
Cor kN |
Ca kN |
Coa kN |
kg |
|||
| RAK88,4VM-7 | 0 | 88.4 | 30 | 82.5 | 126 | 15 | 19.6 | 1.6 |
1
/
|
|
| RAK107,7VM-3 | 0 | 107.7 | 26 | 87.4 | 112 | 26.1 | 38.3 | 2.2 |
2
/
|
|
| RAK102VM | 0 | 101.6 | 26 | 87.4 | 112 | 26.1 | 38.3 | 2.02 |
3
/
|
|
| RAK149.6VMCI | 0 | 0 | 0 | 0 | 0 | 0 | 0 | 0 |
4
/
|
|
| RAK77.7V | 30 | 77.7 | 21 | 57.3 | 79.4 | 15 | 19.6 | 0.83 |
5
/
|
|
| RAK70.1VQM-2 | 35 | 70.1 | 23 | 53.1 | 70.8 | 12.3 | 14.1 | 0.89 |
6
/
|
|
| RAK70.1V | 35 | 70.1 | 23 | 53.1 | 70.8 | 12.3 | 14.1 | 0.81 |
7
/
|
|
| RAK74V bez tělesa | 35 | 74 | 23 | 53.1 | 70.8 | 12.3 | 14.1 | 0.94 |
8
/
|
|
| RAK102V-1komplet | 40 | 101.6 | 26 | 87.4 | 112 | 26.1 | 38.3 | 2.02 |
9
/
|
|
| RAK100.8V | 40 | 100.8 | 26 | 87.4 | 112 | 26.1 | 38.3 | 2 |
10
/
|
|
| RAK88,4VQM-4 | 45 | 88.4 | 30 | 82.5 | 126 | 15 | 21.1 | 1.6 |
11
/
|
|
| RAK77.7VQM | 45 | 77.7 | 23 | 53.1 | 70.8 | 15 | 19.6 | 1.05 |
12
/
|
|
| RAK94.9VQM | 45 | 94.9 | 30 | 82.5 | 126 | 15 | 19.6 | 1.9 |
13
/
|
|
| RAK108VQM-3 | 50 | 107.7 | 26 | 87.4 | 112 | 26.1 | 38.3 | 2.11 |
14
/
|
|
| RAK123VM-2 | 60 | 123 | 29 | 106 | 178 | 26.1 | 38.3 | 3.2 |
15
/
|
|
| RAK123VQM-2 | 60 | 123 | 29 | 106 | 178 | 26.1 | 38.3 | 3.2 |
16
/
|
|
| RAK148E | 60 | 148 | 45 | 207 | 362 | 44.7 | 76.4 | 5.5 |
17
/
|
|
| RAK149.6VMS | 60 | 149.6 | 43 | 207 | 362 | 44.7 | 76.4 | 4.9 |
18
/
|
|
| RAK149,6VQM-2 | 85 | 149.6 | 40 | 207 | 362 | 44.7 | 76.4 | 4.9 |
19
/
|
|
| Cr | dynamická únosnost radiální | Dynamic load - radial | Dynamische Tragzahl - radial |
|---|---|---|---|
| Cor | statická únosnost radiální | Static load - radial | Statische Tragzahl - radial |
| Ca | dynamická únosnost axiální | Dynamic load - axial | Dynamische Tragzahl - axial |
| Coa | statická únosnost axiální | Static load - axial | Statische Tragzahl - axial |